欢迎进入北京鑫视科科技有限公司网站!
24小时热线电话:4008058599

产品简介
| 品牌 | 鑫视科 | 应用领域 | 化工 |
|---|
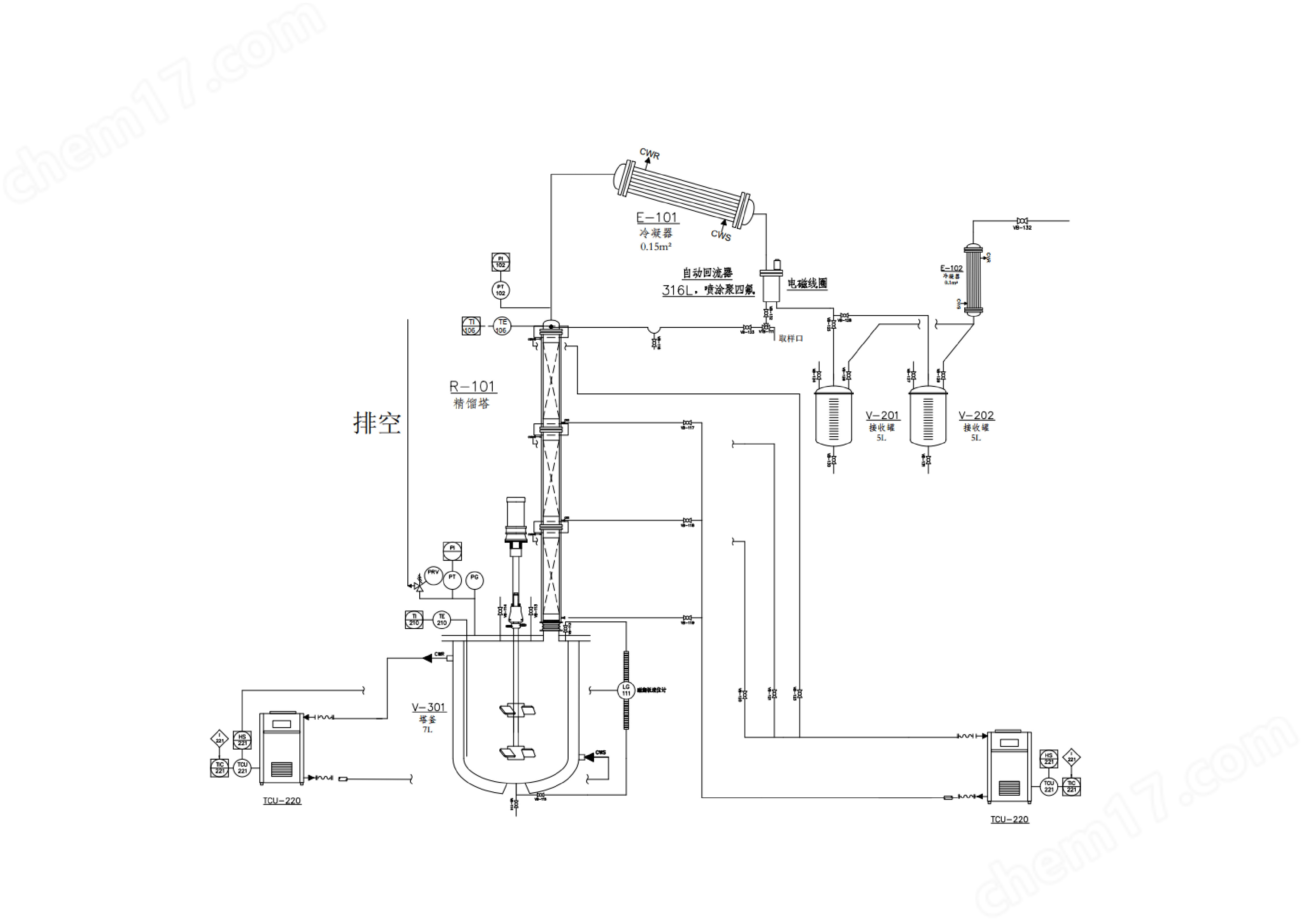
本装置是集间歇 / 连续双模式操作于一体的实验室、小试、中试的精密精馏设备,适用于新能源、半导体、精细化工、医药、农林化工等领域的小试 / 中试研发、物质提纯精制,亦是大专院校科研教学的核心设备,以高精度、高稳定性满足多场景提纯需求。
主体材质:采用高硼硅 3.3 玻璃,耐高温、耐腐蚀,可视化强,关键连接部位可选标口(标口夹固定,拆装便捷)或球口法兰(PTFE 垫片密封,密封性优)。
核心部件:含原料罐、精馏塔(电加热保温设计)、一体腹壁式精馏头、外夹套蛇形双重冷凝器、真空取样器、冷阱、真空缓冲罐、塔釜(不锈钢控温电热套加热)、接收罐及 PLC 控制系统,配备进口温度 / 压力传感器。
填料选择:可选 θ 环、玻璃弹簧、鲍尔环、规整填料等多种散堆 / 规整填料,适配不同体系分离需求。
1. 连续精馏模式(适配大批量、连续化提纯)
· 流程:原料罐经进料泵定量进料→精馏塔内原料液与回流液在填料层接触→塔釜再沸器气化产生上升蒸汽→塔顶冷凝器冷凝→部分回流(电磁回流比 / 强制回流双模式可选)→合格后通过采出泵采出,塔底持续排出重组分。
· 优势:PLC 远程控制,回流比(时间 / 比例式自动控制)、温度、压力实时调节,数据自动采集储存,支持历史曲线查询,实现长周期稳定运行。
2. 间歇精馏模式(适配小批量、多批次样品处理)
· 流程:直接向塔釜加入原料→启动加热与搅拌系统→汽化蒸汽上升经填料层分离→冷凝后通过回流比控制器调节回流 / 采出比例→分段收集馏分,实验结束后排放塔釜残液。
· 优势:操作简化,无需连续进料,适配少量样品精制,控温、控压精度与连续模式一致,切换便捷。
精准可控:塔釜温度室温~350℃、塔顶冷凝温度 - 25℃~ 常温,系统压力 100Pa~101KPa(减压 / 常压可选),压力波动小,分离纯度高。
自动化高效:PLC 集成控制系统支持自动调节、实时监控,回流比控制器(电磁、气动),连续运行 3 个月以上故障率低。
安全可靠:配备多级保护系统、冷阱(防止低沸点物质进入真空泵)、真空缓冲罐,杜绝带压风险,保障设备与人员安全。
灵活适配:塔径(20mm~100mm)、塔高(500mm~1300mm)可定制,进料 / 出料泵、冷水机组等支持国产 / 进口选择,处理量 25mL~200mL/min。
项目 | 规格 |
材质 | 高硼硅玻璃 |
温度范围 | 塔釜室温~350℃,冷凝器 - 25℃~常温 |
设计压力 | -1bar~+0.5bar(玻璃体系禁止加压操作) |
控制方式 | PLC 一体式 / 分体式控制,支持手动 / 自动切换 |
核心功能 | 间歇 / 连续精馏、真空取样(不破坏系统真空)、数据储存查询 |
适用体积 | 玻璃釜可选体积,1、2、3、5、10、20、30、50、100(L) |
可根据客户工艺需求,定制塔径、塔高、填料类型、接收瓶容量等,可根据需求设计各种需求的塔釜,匹配实验室、小试、中试的精馏,满足特殊体系提纯及实验场景需求。

![]() | ![]() |
|
|

相关文章
2026-03-27
2024-11-29
2025-08-22
2025-07-25